PV Durchlauferhitzer MDC 400P – Effiziente Notheizung

Téléphone +49(0)39262 878720

E-mail: gemashop@gema-net.de

WhatsApp : +49(0)17660429928

  • expédition rapide

  • Aide et conseils gratuits

  • Retours sans tracas

  • Ouvert 7j/7

Anhaltinerring 17, 39439 Güsten

Ouvert du lundi au jeudi de 7h à 17h ; vendredi 7h-16h ; Samedi 9h-12h

Elektromet  |  UGS : MDC400P

Module de chauffage de secours pour chauffe-eau instantané PV 1 1/2" MDC 400P

Nom: Zakład Urządzeń Grzewczych ELEKTROMET

Adresse: Gołuszowice 53, 48-100 Głubczyce, Pl

Email: export@elektromet.com.pl

Site Web: https://elektromet.pl/en/

Fabricant Européen: Oui

Prix ​​de vente 898,00 lei Prix ​​normal 991,00 lei
tVA incluse. Expédition seront facturés à la caisse.


Livraison et expédition

Le délai de traitement est généralement d'un jour ouvré. La livraison des colis est de 1 à 3 jours ouvrés. Pour les livraisons par fret, le délai est de 3 à 5 jours ouvrés. Les délais de livraison hors d'Allemagne varient.

Description

Module de réchauffage/chauffe-eau instantané/chauffage de secours 1 1/2" MDC 400P – Chauffage d'appoint fiable pour votre système

Présentation du produit

Le module de réchauffage MDC 400P est un module complémentaire innovant spécialement conçu pour les circuits de chauffage ouverts et fermés. Il offre une solution de chauffage d'urgence efficace en cas de panne de chaudière ou de pompe à chaleur, garantissant une chaleur confortable même en cas d'imprévu.

De plus, le module peut être utilisé pour soutenir le chauffage lorsque les températures extérieures sont basses et permet d'utiliser l'excédent d'énergie du système photovoltaïque de la maison pour le chauffage central. Le système allie ainsi technologie moderne et grande flexibilité.

Avantages et caractéristiques

L'un des principaux avantages du MDC 400P est son faible coût d'acquisition, ce qui en fait une solution de rénovation économique. Son installation rapide et son encombrement minimal permettent une intégration aisée aux systèmes de chauffage existants.

Le boîtier hautement isolé, composé d'un intérieur en acier brut et d'un extérieur en plastique thermolaqué, assure un transfert de chaleur sûr et efficace. De plus, l'isolation haute qualité de la mousse polyuréthane de 50 mm d'épaisseur assure une rétention optimale de la chaleur.

Détails techniques

Le module dispose d'options de connexion de 1 1/4" IG pour le débit et le retour ainsi que 1 1/2" IG pour l'élément chauffant. Il fonctionne à une température de fonctionnement maximale de 90 °C et à une pression de service allant jusqu'à 10 bars, ce qui le rend polyvalent et robuste.

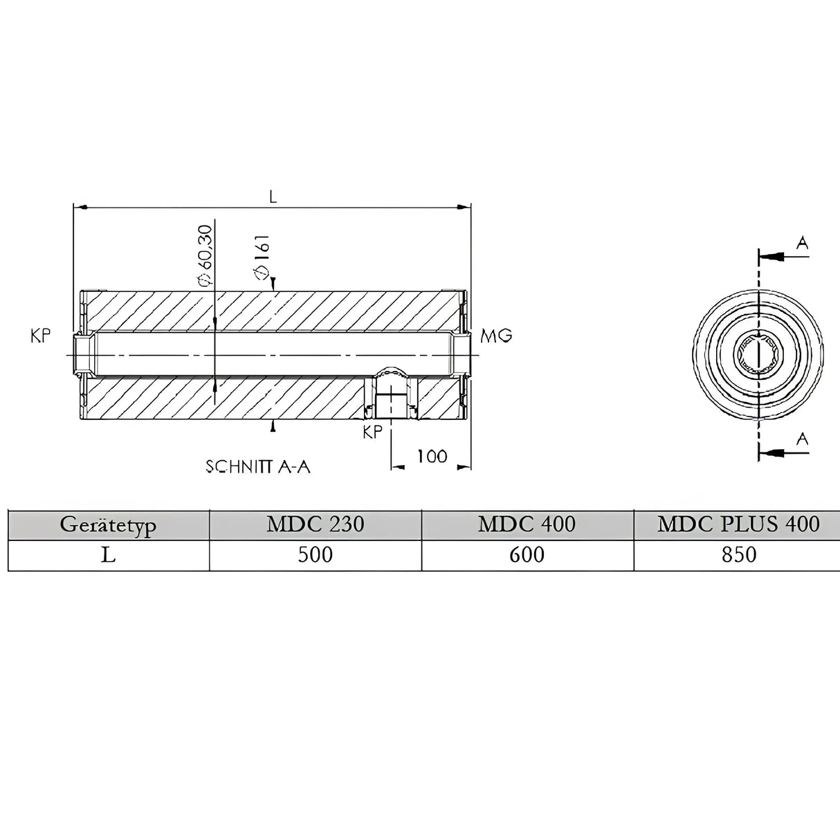
Avec un débit minimum de 9,0 kW ou 514 l/h et un diamètre intérieur de 60 mm, le module de post-chauffage répond à des normes techniques strictes. Le module chauffant MDC400 Plus de 9,0 kW (400 V) est parfaitement adapté, avec des dimensions de 161 mm de diamètre et 850 mm de longueur garantissant une conception compacte.

Utilisations possibles et domaines d'application

Le module de réchauffage MDC 400P offre une large gamme d'applications, du chauffage d'urgence en cas de panne de courant au chauffage d'appoint pendant les mois d'hiver critiques. Associé à des pompes à chaleur ou des chaudières, il contribue grandement à la fiabilité de votre système de chauffage.

Son utilisation flexible dans les systèmes de chauffage ouverts et fermés, ainsi que son raccordement à des cartouches chauffantes jusqu'à 9,0 kW, en font un module complémentaire idéal. Il permet d'atténuer de manière optimale les fluctuations saisonnières de température ou les interventions de maintenance planifiées.

Données techniques

  • Connexion départ et retour : 1 1/4" IG
  • Raccordement pour élément chauffant : 1 1/2" IG
  • Température de fonctionnement maximale autorisée : 90 °C
  • Pression de service maximale admissible : 10 bar
  • Matériau du boîtier : acier brut à l'intérieur, revêtement par poudre à l'extérieur
  • Isolation du boîtier : mousse polyuréthane 50 mm
  • Coque extérieure : plastique, couleur : gris
  • Débit minimum : 9,0 kW/514 l/h
  • Élément chauffant adapté au module MDC400 Plus : 9,0 kW (400 V)
  • Diamètre intérieur du module MDC : 60 mm
  • Dimensions MDC400 Plus (diamètre x longueur) : 161 mm x 850 mm

Contenu de la livraison

  • Module MDC 400P
  • Assemblée &et instructions d'utilisation

Télécharger

paiement & Sécurité

Options de paiement

  • American Express
  • Apple Pay
  • Bancontact
  • BLIK
  • EPS
  • Google Pay
  • iDEAL
  • Klarna
  • Maestro
  • Mastercard
  • MobilePay
  • PayPal
  • Przelewy24
  • Shop Pay
  • Union Pay
  • Visa

Vos informations de paiement sont traitées de manière sécurisée. Nous ne conservons ni n'accédons à vos informations de carte bancaire.

Avis des clients

Soyez le premier à donner votre avis
0%
(0)
0%
(0)
0%
(0)
0%
(0)
0%
(0)

Contactez-nous

reviews
See all reviews